型號:EP002A-M9 功能:合頁
型號:DC75V 功能:閉門器
型號:YX-TC17 功能:鎖配件
型號:HB001 功能:彩鋼板
型號: 功能:
型號:V-FZ06F C 功能:執手
型號:B-127 功能:地彈簧
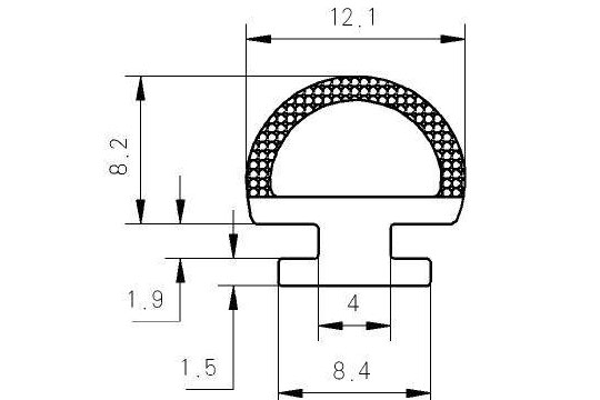
型號:EP002A-MF 功能:密封條